浙江国安电气有限公司

服务咨询热线:

0577-81551555

产品展示

当前位置:首页产品中心12kV户内真空断路器系列

ZN63A(VS1)-12型户内交流高压真空断路器

产品参数

ZN63AVS1-12-s-021. 概述
ZN63A(VS1) 型户内交流高压真空断路器以下简称断路器是三相交流额定电压的户内开关设备,可供工矿企业,发电厂及变电站作电气设施的控制和保护之用,并适用于频繁操作的场所。
断路器符合《交流高压断路器》, 855-1996《3.6-40.5kV户内交流高压真空断路器》,DL403-91,《10-35KV户内交流高压断路器订货技术条件》标准要求,并符合IEC56(87出版物)的相关要求。
断路器采用操动机构与断路器本体一体式设计,既可做为固定安装单元,也可配用专用推进机构,组成手车单元使用。

2. 型号及含义

ZN63AVS1-12-01

3. 使用条件
3.1 环境温度不高于+40℃,不低于—15℃(允许在-30℃时储运);
3.2 海拔高度不超过1000m;
3.2 相对温度:日平均值不大于95%,月平均值不大于90%,饱和蒸汽压日平均值不大于2.2×10
Mpa,平均值不大于1.8×10 Mpa;
3.4 地震热度不超过8度;
3.5 没有火灾,爆炸危险,严重污秽,化学腐蚀以及剧烈震动的场所。


4. 技术参数
4.1 主要规格及技术参数

ZN63AVS1-12-02

4.2 断路器装配调整后机械特性参数

ZN63AVS1-12-03
4.3 分合闸线圈参数

ZN63AVS1-12-04
4.4 储能电机
采用永磁式单相直流电动机,操作电压允许采用交,直流电源其技术参数

ZN63AVS1-12-05

5. 产品外型尺寸
ZN63AVS1-12-06

6. 产品结构及特点

6.1 真空灭弧室
断路器配用中间封接式陶瓷或玻璃真空灭弧室,采用铜铬触头材料,杯状纵磁场触头结构,其触头的电磨损速率小,电寿命长,触头的耐压水平高,介质绝缘强度稳定,弧后恢复速度快,截流水平底,开段能力强。
6.2 总体结构
断路器总体结构采用操动机构和灭弧室前后布置的形式,主导电回路部分为三相落地式结构,真空灭弧室纵向安装在一个管状的绝缘筒内,绝缘筒由环氧树脂采用APG工艺浇注而成,因而它特别抗爬电。这种结构设计大大地减小粉尘在灭弧室表面的聚积,不仅可以防止真空灭弧室受到外部因素的损坏,而且可以确保即使在湿热及严重污秽环境下也可对电压效应呈现出高阻态。
断路器在合闸位置时主回路电流路径:
上出线座28经固定在灭弧室上的上支架27到真空灭弧室内部静触头,经动触头及其联接的导电夹,软连接,至下支架30,下出线座32。由绝缘拉杆34与内部碟形弹簧33经过断路器连杆系统来完成断路器的操作运动及保持触头接触。
断路器出厂时各电流等级均装有防尘绝缘筒盖,在实际使用中额定电流1250A及以下等级运
行时均可不必去除,额定电流1600A及以上等级运行时必须去除。
6.3 操动机构
操动机构是平面布置的弹簧储能式操动机构,具有手动储能和电动储能功能,操动机构置于灭弧室前的机构箱内,断路器的机构箱同时用作操动机构的构架。机构箱被四块中间隔板分成五个装配空间,期间分别装有操动机的储能部分,传动部分,脱扣部分和缓冲部分,前部设有合,分按钮,手动储能操作孔,弹簧储能状态指示牌,合分指示牌。这样,灭弧室和机构前后布置组成一个整体,使两者更加吻合,减少不必要的中间传动环节降低了能耗和噪声,使断路器的功能更加可靠。
6.4 该断路器具有寿命长,维护简单,无污染,无爆炸危险,噪音低等优点,比适用于频繁操作等条件比较苛刻的工作条件。断路器即可装入手车式开关柜。也可用于固定式开关柜。


7. 工作原理
7.1 储能动作
断路器合闸所需能量由合闸弹簧储能提供。储能即可由外部电源驱动电机完成,也可使用储能手柄手动完成。
储能操作:固定在框架上的储能电机15通电输出扭矩,通过电机输出轴16的单向轴承13带动链轮14转动,或者将储能受柄插入手动储能孔中顺时针摇动,通过蜗轮蜗杆(10,11)带动链轮14转动。然后通过链条9带动链轮3转动,链轮3转动时,档销1推动轮5上的滑块2使储能轴21跟随转动,
并通过两边拐臂19拉伸合闸弹簧进行储能.到达储能位置时,框架上的限位杆压下滑块2,使储能轴与链轮传动系统脱开,储能保持掣子7顶住滚轮6保持储能位置,同时储能轴上拨板23带动储能指示牌翻转,显示已储能标记,并切换行程开关,切断储能电机供电电源,此时断路器处于合闸准备状态。
7.2 合闸操作
机构储能后,若接到合闸信号,合闸电磁铁17动作或按下合闸按钮,使储能保持轴8转动,带动掣子7松开滚轮6,解除储能保持,合闸弹簧18释放能量,使储能轴21和轴上的凸轮22作顺时针转动,通过转动拐臂36,传动连板37带动绝缘拉杆34带动动触头向上运动进入合闸位置,并压缩触头弹簧33,保持触头所需接触压力。
合闸动作完成后,由合闸掣子40与半轴42保持合闸位置,同时储能指示牌,储能行程开关复位,电机供电回路接通,合分指示牌显示“合”标记,若外接电源也接通则再次进入储能状态。
注:当断路器已处于合闸状态或选用闭锁装置而未接通外接电源及手车式断路器在推进过程中,均不能进行合闸操作。

7.3 分闸操作
合闸动作完成后,一旦接到分闸信号或按分闸按钮,分闸脱扣电磁铁或过流脱扣电磁铁动作,使分闸半轴42对合闸保持掣子40的约束被解除。由触头簧33和分闸35储存的能量使灭弧室29动静触头分离而实现分闸操作。在分闸过程后段,由液压缓冲器吸收分闸过程剩余能量并限定分闸位置。
合分指示牌显示出“分”标记,同时拉动计数器43,实现计数器计数,由传动连杆拉动主辅助开关切换。

8. 防误联锁
8.1 断路器合闸操作完成后,合闸联锁弯板2向下运动扣住合闸保持轴上的合闸弯板3,在断路器未分闸时将不能再次合闸。
8.2 断路器在合闸结束后,如合闸电信号未及时去除,断路器内部防跳控制回路将切断合闸回路防止多次重合闸。
8. 3 手车式断路器在未到实验位置或工作位置时,由联锁弯板4扣住合闸脱扣3上的销5,断路器将不能合闸,防止断路器处于合闸状态进入负荷区。
8.4 手车式断路器在工作位置或试验位置合闸后,由滚轮压推进机构锁板,手车将无法移动,防止在合闸状态拉出或推进负荷区。
8.5 如果选用电气合闸闭锁,在二次控制电源末接通情况下阻止手动进行合闸操作。
注意:合闸闭锁功率消耗为4.5W,在0.8-1.1倍额定电压可正常操作。


9. 断路器内部电气原理图
9.1 手车式断路器内部电气原理图见图八,接线图见图八(1)
9.2 固定式断路器内部电气原理图 见图九,接线图见图九(1)


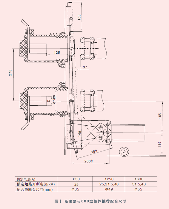
10. 断路器与柜体推荐配合尺寸
10.1 ZN63A(VS1)断路器与800宽柜体推荐配合尺寸见图十
10.2 ZN63A(VS1)断路器与1000宽柜体推荐配合尺寸见图十一

11. 动,静触头配合尺寸
动,静触头配合尺寸见图十二


12. 接地装置装配尺寸
12.1 ZN63A(VS1) (800)接地装置装配尺寸见图十三
12.2 ZN63A(VS1) (1000)接地装置装配尺寸见图十四


13. 安装,调试

13.1 拆箱
断路器从包装箱中起吊时,挂钩应挂在断路器上有明显标志的起吊机处,搬移时不得使上下出线臂受力,同时不应让断路器受到较大的冲击振动。
13.2 安装前检查
断路器出厂前已经过严格的出厂检验,参数均符合技术要求。一次回路通电前须做以下准备工作。
a.检查产品铭牌,合格证是否与订货单相符,装箱清单是否与实物相符。
b.检查断路器有无损坏,如有损坏请停止使用。
c.清楚表面灰尘赃污,尤其是绝缘表面,用工濒耐压法检查真空灭弧室的真空度(断路器分闸,在断口间施加工频42kV\1min)
d.用手动方式按规程操作断路器进行储能,合闸和分闸,观察储能状态,分合指示位置是否
正常。(注:装有闭锁装置的断路器必须在二次回路通电后才能进行手动操作)
e.用操作电源操作断路器进行储能,合闸和分闸,观察储能状态,分合指示位置是否正常手
车式断路器按如下步骤操作:将推进手柄插入孔中,顺时针摇动为推进,逆时针摇动为退出。推行总行程约为200mm在分闸状态下,应顺利进入工作位置或实验位置,请中速转动手柄圈,当听到“嗒”的一声时即为到位(切忌用力过大而损伤推进结构),同时接通相应位置指示回路。
注:在正式进柜操作前,请按要求去除起吊装置。

操作过程可能出现的现象

ZN63AVS1-12-07


13.3 正式运行时额定电流1600A及以上等级请按要求除去绝缘筒盖。


14. 维护和保养
14.1 断路器在正常使用的过程中,应定期对断路器本体进行适当检查.对设备表面的污秽受潮部分进行清洁,用于布楷拭绝缘表面,然后用粘着清洗剂的绸布揩去其他污秽物(注意所用清洗剂能适用于塑料或合成塑料材料)。用工濒耐压法检查真空灭弧室的真空度,在打耐压的过程中,灭弧室外部有微弱的发光是正常的,如发现灭弧室的持续的击穿,应更换真空灭。
14.2 当断路器长期放置时,可能使断路器活动部分生阻滞,每年应对断路器进行至少5次的储能及合,分闸操作。
14.3 安装和使用时严禁用坚硬的物体撞击真空灭弧室。
14.4 用户不应随意更换使用与原型号规格不一致的电器元件。
14.5 操作人员应初步了解断路器和机构的结构,性能和安装调式,维护检修知识,对运行中问题予以记录,必要时通知制造厂家。
14.6 频繁操作场所,应注意严格控制在技术条件规定的操作次数及开断次数范围内,不能在超出使用寿命后继续使用。


15. 配置
15.1 二次控制电压:
DC220V AC220V DC110V AC110V
15.2 二次控制可选件配置
15.2.1 防跳装置:作用一断路器在合闸完成后,如合闸信号未及时解除,断路器内部防跳控制回路将切断合闸回路,防止多闪重合闸。如果柜上采用综合保护仪和防跳装置,则需确认防跳装置是否需要安装。
15.2.2 闭锁装置:作用一在二次控制电源未接通或低于技术要求情况下防止合闸。
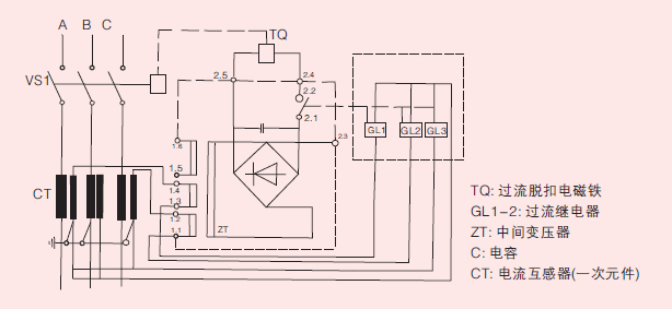
15.2.3 过流装置;作用一在一次回路中过载或短路情况下,通过过流继电器使过流线圈得电动作,使断路器分闸。一般加在A,C相,也有三相都加的。当电流互感器的二次输出容量足够时,选用间接过流脱扣器方案,有3.5A和5A两种,当电流互感器的二次输出容量不足以提供过流脱扣电磁铁需求时,选用中间变压器方案,中间变压器的接线端2.4和2.5接断路器上的过流脱扣电磁铁。
15.2.3.1 A.C相过流脱扣(二过流)中间变压器外部接线原理图;

ZN63AVS1-12-08

15.2.3.2 A B C 相过流脱扣(三过流)中间变压器外部接线原理图;

ZN63AVS1-12-09
 

15.3 接地装置
根据断路器配柜宽度可分为:
800屏接地方案,1000屏接地方案,具体接地装置示意图


15.4 二次元器件电气参数表

ZN63AVS1-12-10

 

16. 运输与储存
16.1 运输
断路器运输时必须整台装入封闭的包装箱内并加以固定。
16.2 储存
断路器应存放在干燥,通风,防潮,防震及防有害气体侵蚀的室内,长期存放应在传动部分加润滑油,并检查环境是否符合要求,真空灭弧事的储存为20年。


17. 随机文件
a. 产品合格证及出厂实验报告;
b. 安装使用说明书;
c. 装箱清单。

18. 订货须知
用户在订货时应注明:
a. 断路器型号名称及订货数量;
b. 断路器的额定电压,额定电流及额定短路开断电流;
c. 储能电机和分合闸线圈的额定操作电压;
d. 过流脱扣线圈的个数和脱扣电流值;
e. 备品备件的名称及数量;
f. 用户若有不明之处或有特殊要求请与制造厂家联系。

ZN63AVS1-12-11

ZN63AVS1-12-12

ZN63AVS1-12-13

ZN63AVS1-12-14

ZN63AVS1-12-15

ZN63AVS1-12-16

ZN63AVS1-12-17

ZN63AVS1-12-18

ZN63AVS1-12-19

ZN63AVS1-12-20

ZN63AVS1-12-21

ZN63AVS1-12-22

ZN63AVS1-12-22

ZN63AVS1-12-23